|
 |
| |
拉力有8500磅(3856公斤)和12000磅(5443公斤)可选择 |
| |
特點 ● 串激直流馬達高轉矩且轉速快 ● 二段游星齒輪搭配渦輪齒輪,確保運轉平順,低噪音 ● 渦輪齒輪剎車再搭配輔助棘輪機械剎車,確保無剎車下滑且制動效果佳 ● 旋轉式內齒結構之離合器可輕易將鋼索快速拖出 ● 密閉電磁接觸器防水佳且電流消耗較佳 ● 較高節徑比(索輪內徑/鋼索直徑)確保使用於工業場合,如拖救車,急救車,消防車 |
| |
|
| |
規格
| |
單線拉力 : 3,856 kg / 8,500 lb |
| |
馬達 : 12V : 3,430 w / 4.6 hp 24V : 1,940 w / 2.6 hp
|
| |
齒輪結構 : 二段游星齒輪+渦輪齒輪 齒輪減速比 : 225.4:1 |
| |
離合器 : 機械連桿 |
| |
剎車 : 渦輪齒輪剎車搭配棘輪機械剎車,雙剎車特性 |
| |
鋼索尺寸 : 8 mm × 45 m (5/16" × 150'''') 鋼索型式 : A7 × 19 鍍鋅航空鋼索 |
| |
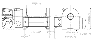
索輪尺寸 : 82 mm X 229 mm (3.2" x 9")
|
| |
安裝尺寸 : 125 mm x 276 mm (4.92" x 10.87") |
| |
*一年產品保固 | |
| |
|
| |
拉力與鋼索容量
| 鋼索 層 |
每層拉力 kg / lb |
線速 mpm/fpm |
| 第一層 |
3,856 / 8,500 |
7.6 / 25 |
| 第二層 |
3,280 / 7,230 |
16.6 / 54 |
| 第三層 |
2,853 / 6,289 |
26.9 / 88 |
| 第四層 |
2,525 / 5,566 |
38.5 / 127 |
| 第五層 |
2,264 / 4,991 |
45 / 150 | 線速與電流(第一層鋼索) 電流: 12V
| 拉力 kg / lb |
線速 mpm / fpm |
電流12V |
| 無負載 |
6.2 / 20.6 |
70 |
| 2,722 / 6,000 |
1.7 / 5.7 |
180 |
| 3,629 / 8,000 |
1.2 / 3.9 |
270 |
| 4,535 / 10,000 |
1.1 / 3.6 |
310 |
| 5,443 / 12,000 |
1.0 / 3.4 |
350 | 電流: 24V
| 拉力 kg / lb |
線速 mpm / fpm |
電流24V |
| 無負載 |
6.2 / 20.6 |
40 |
| 2,722 / 6,000 |
1.7 / 5.7 |
80 |
| 3,629 / 8,000 |
1.2 / 3.9 |
120 |
| 4,535 / 10,000 |
1.1 / 3.6 |
150 |
| 5,443 / 12,000 |
1.0 / 3.4 |
190 | |
|
mpm:每分鐘公尺數/ fpm:每分鐘英呎數
警示 絞盤不得使用於垂直吊貨或乘載人員
|
| |
尺寸 |
| |
|
| |
 |
| |
|
| |
標準配件 ● 電控組 WA-0818 ● 遙控器 WA-0310 ● 鋼索附鉤 ● 四向導輪 WA-0510 ● 鋼索壓板 WA-0905 ● 1.8 m(6'''') 2G電源線
| |